Главная / Новости

Новости

Навыки обслуживания бесшумной цепи

Навыки обслуживания бесшумной цепи

Цепь обычно представляет собой металлическое звено или кольцо, которое в основном используется для механической передачи и тяги. Рассмотрим мето...

Каковы распространенные причины повреждения цепи мотоцикла?

Каковы распространенные причины повреждения цепи мотоцикла?

Мотоциклетная цепь , как обычное устройство передачи силы, использует конструкцию «цепи» гиперболической дуги для уменьшения трения. Он испол...

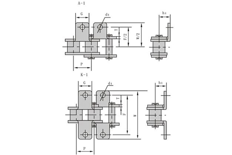
Каковы части роликовой цепи?

Каковы части роликовой цепи?

Каковы части Роликовая цепь ? 1. Вал штифта: тонкий цилиндрический элемент, используемый в качестве оси вращения цепного ша...

Производители приводных цепей рассказывают о взаимосвязи между цепью и звездочкой

Производители приводных цепей рассказывают о взаимосвязи между цепью и звездочкой

Приводная цепь Производители представили, что звездочка приводится в движение цепью, а агрегат модели вообще на английском языке. Бываю...

Производитель сельскохозяйственных цепей представляет подготовку цепи

Производитель сельскохозяйственных цепей представляет подготовку цепи

Сельскохозяйственная сеть Производитель вводит, что цепь необходимо подготовить, перед запуском проверить, есть ли в цепи винты, а такж...

Производитель трансмиссионной цепи рассказывает, как обслуживать цепь

Производитель трансмиссионной цепи рассказывает, как обслуживать цепь

Когда цепь подвергается антикоррозионной обработке для решения рабочего процесса, необходимо сначала протереть ее поверхность травильной пастой ...

Почему листовая цепь имеет общие проблемы отклонения

Почему листовая цепь имеет общие проблемы отклонения

Благодаря постоянной тенденции развития в области цепей из нержавеющей стали, изделия из цепей из нержавеющей стали также получили широкое распр...

Детали ежедневного технического обслуживания производственной цепочки

Детали ежедневного технического обслуживания производственной цепочки

Промышленная цепочка есть Преимущества и детали ежедневного обслуживания: 1. Если приводная цепь отклонена от на...

Производители бесшумных цепей рассказывают, как правильно бороться с ошибкой звездочки из нержавеющей стали

Производители бесшумных цепей рассказывают, как правильно бороться с ошибкой звездочки из нержавеющей стали

Тихая цепь Производители рассказывают, как правильно бороться с ошибкой звездочки из нержавеющей стали? Наблюдайте за г...

Производители роликовых цепей рассказывают, как правильно бороться с ошибками звездочки

Производители роликовых цепей рассказывают, как правильно бороться с ошибками звездочки

Если звездочка из нержавеющей стали имеет ошибку, не следует спешить с ее решением. Давайте проследим за Роликовая цепь Производители...

Производители приводных цепей рассказывают, как быстро снять поврежденные подшипники звездочек

Производители приводных цепей рассказывают, как быстро снять поврежденные подшипники звездочек

Приводная цепь Производители представили, как быстро снять поврежденные подшипники звездочек: 1. Постепенно снимите торцевые...

Производитель сельскохозяйственных цепей представляет метод выбора цепей

Производитель сельскохозяйственных цепей представляет метод выбора цепей

Сельскохозяйственная сеть Производитель представляет метод подбора цепей: Прежде всего, это выбор материала цепи из нержавею...