Главная / Новости

Новости

Каковы силовые элементы промышленной звездочки

Каковы силовые элементы промышленной звездочки

Сила Промышленная звездочка состоит из двух элементов: скорости и крутящего момента; оба из которых могут передаваться через шестерни...

Производитель листовых цепей представляет ингредиенты смазок для цепей

Производитель листовых цепей представляет ингредиенты смазок для цепей

На рынке представлено множество типов смазок для цепей. Листовая цепочка Производитель представил, из каких ингредиентов состоят смаз...

Производитель промышленных цепей представляет форму смазки цепи

Производитель промышленных цепей представляет форму смазки цепи

Тип смазки цепи будет варьироваться в зависимости от способа использования цепи. Промышленная цепочка Производитель сообщил, что в бо...

Производители бесшумных цепей знакомят с мерами предосторожности при установке звездочек

Производители бесшумных цепей знакомят с мерами предосторожности при установке звездочек

Тихая цепь Производители знакомят, на что следует обратить внимание при установке звездочки 1. Выберите правильную модель и мат...

Производители мотоциклетных цепей представляют характеристики цепного привода и вращения шестерен

Производители мотоциклетных цепей представляют характеристики цепного привода и вращения шестерен

Мотоциклетная цепь Производитель представляет характеристики цепного привода и вращения шестерни: 1. Особенности цепного привод...

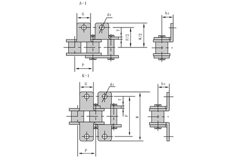
Структура роликовой цепи

Структура роликовой цепи

Структура Роликовая цепь : Внешняя пластина цепи и вал пальца, внутренняя пластина цепи и втулка соответственно соединены п...

Производители приводных цепей представляют общие методы термообработки подвесных цепей

Производители приводных цепей представляют общие методы термообработки подвесных цепей

Приводная цепь Производители вводят распространенные методы термической обработки подвесных цепей: отжиг, нормализация, закалка, отпуск...

4 распространенных причины коррозии в сельскохозяйственной цепи

4 распространенных причины коррозии в сельскохозяйственной цепи

Если Сельскохозяйственная сеть подвергается коррозии при обычном использовании, необходимо проанализировать причины. 1. Нес...

Как правильно справиться с явлением прерывистого проскальзывания трансмиссионной цепи

Как правильно справиться с явлением прерывистого проскальзывания трансмиссионной цепи

Если Цепь передачи является скачкообразным, это приведет к частым остановкам производственной линии, снижению эффективности работы, а...

Процесс обслуживания конвейерной цепи

Процесс обслуживания конвейерной цепи

Как поддерживать Конвейерная цепь : 1. Натяжение конвейерной цепи из нержавеющей стали не должно быть слишком тугим или слишк...

Советы по обслуживанию промышленных звездочек

Советы по обслуживанию промышленных звездочек

Как поддерживать Промышленная звездочка : 1. Натяжение цепи не должно быть слишком сильным или слишком слабым, иначе цепь может ...

Навыки закупок листовой цепочки

Навыки закупок листовой цепочки

Листовая цепочка имеет множество функций, так на что следует обратить внимание при покупке цепочки? 1. Проверка внешнего вида...