Главная / Новости

Новости

Уникальные преимущества трансмиссионной цепи

Уникальные преимущества трансмиссионной цепи

Цепь можно разделить на трансмиссионную цепь, подъемную цепь и тяговую цепь. Цепи подъемные и тяговые цепи применяются для подъемно-транспортной те...

Каковы этапы проектирования трансмиссионной цепи?

Каковы этапы проектирования трансмиссионной цепи?

В процессе проектирования и производства Цепь передачи Существует четыре важнейших этапа: вырубка, плетение, сварка, «формование» и т...

Четыре метода смазки, используемые в конвейерной цепи

Четыре метода смазки, используемые в конвейерной цепи

В сетевой отрасли Конвейерная цепь — широко используемый тип цепи. Он также требует обслуживания смазочного масла во время его исполь...

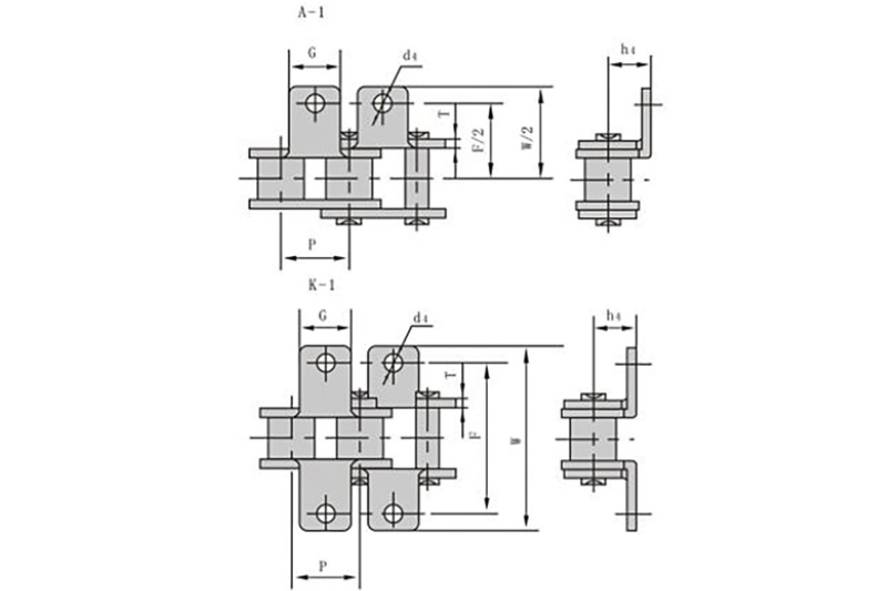
Каковы функции листовой цепи

Каковы функции листовой цепи

Поскольку компоненты лопастной цепи по размеру аналогичны стандартной роликовой цепи, экономичность производства лопастной цепи во многом зависит о...

Структура и характеристики бесшумной цепи

Структура и характеристики бесшумной цепи

Структура Тихая цепь очень просто: только доски и булавки. Существует восемь различных шагов от 9,52 мм до 50,8 мм. Пластина зве...

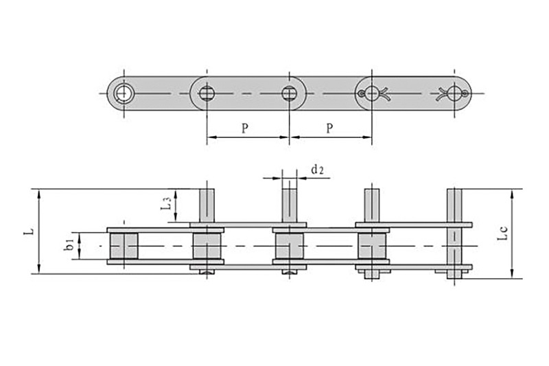
Подробности гарантии на роликовую цепь

Подробности гарантии на роликовую цепь

Роликовая цепь состоит из внутренней пластины цепи, внешней пластины цепи, пальца, втулки и ролика. re is an interference fit b...

Промышленная звездочка будет изнашиваться в течение длительного времени

Промышленная звездочка будет изнашиваться в течение длительного времени

Мы все обнаружим это, если воспользуемся Промышленная звездочка в течение длительного времени мы обнаружим, что промышленная звездочк...

Разница между промышленной звездочкой и синхронным шкивом

Разница между промышленной звездочкой и синхронным шкивом

Звездочка также представляет собой звездочку зубчатого типа, которая используется для точного зацепления с кольцом цепи шага или шагом троса. Он от...

Какая смазка подходит для промышленной цепи

Какая смазка подходит для промышленной цепи

Жидкое маслянистое вещество, используемое при смазке цепей, выполняет функции смазки, предотвращения ржавчины, водонепроницаемости и антифрикционно...

Производитель сельскохозяйственных цепей представляет метод обслуживания механической цепи

Производитель сельскохозяйственных цепей представляет метод обслуживания механической цепи

Что касается обслуживания механических цепей, производитель hzqjchain опишет следующее: Сельскохозяйственная сеть основываясь на собс...

Цепь передачи — распространенный тип цепи

Цепь передачи — распространенный тип цепи

Основные категории цепей: роликовые цепи с коротким шагом для передачи, двухшаговые роликовые цепи для передачи, муфтовые цепи для передачи, цепи...

Производитель конвейерных цепей представляет советы по выбору вкладышей цепей

Производитель конвейерных цепей представляет советы по выбору вкладышей цепей

Следующие производители hzqjchain Конвейерная цепь подскажет, как выбрать вкладыш цепи: 1. Определение температуры: подлинны...